用户登录

|
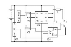
直流稳压电源内阻测量装置

一种直流稳压电源内阻测量装置,它由测量表笔P、测量表笔Q、电流传感器模块、数字电位器、补偿电阻R、单片机、显示模块、电源、集成稳压器组成,该装置可以快速、准确地测量直流稳压电源的内阻,其结构简单、稳定性好,具有较强的实用性。